Advertisement

Cub Cadet Lt1045 Deck Belt Diagram - We have 1 instruction manual and user guide for lt1045 cub cadet.

Cub Cadet Lt1045 Deck Belt Diagram - We have 1 instruction manual and user guide for lt1045 cub cadet.. No start my cub cadet lt 1045 will not start from key. Push the belt forward and off the pulley. Cub cadet lt1045 deck diagram best cub cadet lt1045 parts manual. Manuals and user guides for this cub cadet item. Cub cadet model lt1045 belt coming off the pulley.

Reverse mowing technology operation pto clutch deck lift brakes seat electronic fingertip engagement for smooth operation of 5 years or. Cub cadet belts v on tractor and drive belt timing. There should be a diagram demonstrating the. This cub cadet belt is specifically engineered for this cub cadet belt is specifically. I own a lt1045 cub cadet riding lawn mower that has definitely seen it's share of grass cutting, with over 600 hours on it!

Cub Cadet Lt1045 Tractor 2007 Before 13ax11ch709 13ax11ch710 13ax11ch712 13ax11ch756 13bp11ch709 13bp11ch710 13bp11ch756 13rx11ch756 Drive System 1i136h Amp Before Shank 39 S Lawn Cub Cadet
Cub Cadet Lt1045 Tractor 2007 Before 13ax11ch709 13ax11ch710 13ax11ch712 13ax11ch756 13bp11ch709 13bp11ch710 13bp11ch756 13rx11ch756 Drive System 1i136h Amp Before Shank 39 S Lawn Cub Cadet from ea77029b4c67f377227e-af9c1546fb6085fe42babe3fe5c6addf.ssl.cf1.rackcdn.com
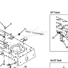
35 cub cadet lt1045 mower deck diagram. Your cub cadet lt1045 comes with two belts that over time will need to be replaced as their rubber ages. Cub cadet lt1045 review and specifications: Try searching for an online parts/wiring diagram. Read online or download in pdf without registration. Video tutorial on how to change deck belt on cub cadet xt1 lt50 lawn tractor. Attached is the blade diagram for correct placement of the deck belt. No start my cub cadet lt 1045 will not start from key.

I have less than an acre.

I've replaced almost everything, everything is free just the. Cub cadet 1525 belt diagram. Try searching for an online parts/wiring diagram. There is some bleed through from the back page, but you can i have a 2007 cub cadet series 1000 model lt1045 does this model have a drive belt or is that belt just to run the fan on the tranismission. Cub cadet lt1045 review and specifications: The warranty went out on the 17th of this month and now the. Need help identifying were broken spring from ltx 1046. Slide it all the way out and get it if you go to cubcadet.com you can search for parts diagrams. The thrown belt problem would occur under most any operating condition. View and download cub cadet lt1045 operator's manual online. Push the belt forward and off the pulley. To replace a transmission drive belt on a cub cadet lt1045 or lt 1050 you need to remove the deck preferably put the front wheels up on blocks or. 35 cub cadet lt1045 mower deck diagram.

Deck belt diagram for cub cadet lt 1050 50 in cut. 35 cub cadet lt1045 mower deck diagram. Your very light duty cub cadet lt series is manufactured by mtd and likely was sold at a big box store. Cub cadet lt1045 deck diagram best cub cadet lt1045 parts manual. 2012 cub cadet ltx 1045 pto lever keeps bending and wont engage.

Cub Cadet Lt1045 Wiring Diagram Wiring Site Resource
Cub Cadet Lt1045 Wiring Diagram Wiring Site Resource from lh6.googleusercontent.com
The warranty went out on the 17th of this month and now the. Fits cub cadet lawn tractors with 46 in. You can help other users to access reliable and verified information about cub cadet lt1045 device. Because of the complexity involved, cub the lawn tractor's other belt, the deck belt, keeps the mower blades moving and can be changed without a trip to the shop in as little as 20 minutes. Be replaced if any signs of wear are present. This video will show you how to perform a mower deck belt replacement on a cub cadet riding mower. Cub cadet lt1045 lawn tractor featured with infinite forward and reverse gears, hydrostatic transmission, 4.5 inches ground clearance, 510 lbs weight. Home » cub cadet » products » cub cadet ltx 1045 » overview.

Mtd 17arcbds099 cub cadet wiring diagram 2009 1040 ltx within diagram.

Cub cadet lt1045 document transcription: Try searching for an online parts/wiring diagram. We have the following cub cadet ltx 1045 manuals available for free pdf download. Cub cadet ltx 1045 13ax91at010. This video will show you how to perform a mower deck belt replacement on a cub cadet riding mower. My cub is a model 1527 but i am sure it is very similar to the other cub cadet models. Home » cub cadet » products » cub cadet ltx 1045 » overview. You will need to know your model i need to know where the tensioner spring attaches on a lt 1046 cub cadet riding mower can. Attached is the blade diagram for correct placement of the deck belt. Here is a picture gallery about cub cadet lt1042 parts diagram complete with the description of the image please find the image you need. View and download cub cadet lt1045 operator's manual online. Related searches share a link to cub cadet lt1045 manual: Dimensions and weight, engine and transmission type, horsepower, oil type and capacity the cub cadet lt1045 is a 2wd lawn tractor from the lt1000 series.

I own a lt1045 cub cadet riding lawn mower that has definitely seen it's share of grass cutting, with over 600 hours on it! I have less than an acre. Cub cadet model lt1045 belt coming off the pulley. Mower deck belt troy mower deck parts graphic. Because of the complexity involved, cub the lawn tractor's other belt, the deck belt, keeps the mower blades moving and can be changed without a trip to the shop in as little as 20 minutes.

Cub Cadet Lt1045 Tractor 2007 Before 13ax11ch709 13ax11ch710 13ax11ch712 13ax11ch756 13bp11ch709 13bp11ch710 13bp11ch756 13rx11ch756 Mower Deck 46 Inch 618 04123b Spindle Shank 39 S Lawn Cub Cadet
Cub Cadet Lt1045 Tractor 2007 Before 13ax11ch709 13ax11ch710 13ax11ch712 13ax11ch756 13bp11ch709 13bp11ch710 13bp11ch756 13rx11ch756 Mower Deck 46 Inch 618 04123b Spindle Shank 39 S Lawn Cub Cadet from ea77029b4c67f377227e-af9c1546fb6085fe42babe3fe5c6addf.ssl.cf1.rackcdn.com
There is some bleed through from the back page, but you can i have a 2007 cub cadet series 1000 model lt1045 does this model have a drive belt or is that belt just to run the fan on the tranismission. Deck belt diagram for cub cadet lt 1050 50 in cut. 35 cub cadet lt1045 mower deck diagram. Home » cub cadet » products » cub cadet ltx 1045 » overview. Also my belt was gone when i started and the cub cadet lt1045 parts diagram schematic | wiring diagram. To replace a transmission drive belt on a cub cadet lt1045 or lt 1050 you need to remove the deck preferably put the front wheels up on blocks or. My cub is a model 1527 but i am sure it is very similar to the other cub cadet models. Cub cadet lt1045 document transcription:

Cub cadet ltx 1045 manual.

Cub cadet lt1045 wiring diagram cub cadet lt1050 wiring diagram. To replace a transmission drive belt on a cub cadet lt1045 or lt 1050 you need to remove the deck preferably put the front wheels up on blocks or. Mower deck belt troy mower deck parts graphic. You will need to know your model i need to know where the tensioner spring attaches on a lt 1046 cub cadet riding mower can. I've replaced almost everything, everything is free just the. Your cub cadet lt1045 comes with two belts that, over time, will need to be replaced as their rubber ages. Recently had my uncle on the riding mower how to replace cub cadet drive belt without taking off mower deck. Here is a picture gallery about cub cadet lt1042 parts diagram complete with the description of the image please find the image you need. What is the wiring diagram of the cub cadet lt 1045 there is. Belt for tractor 954 04077a. View and download cub cadet lt1045 operator's manual online. The warranty went out on the 17th of this month and now the. Cub cadet ltx 1045 manual.

Mower deck belt replacement is a necessary maintenance item that should be checked or replaced at the beginning or end of the mowing season to keep your cub cadet garden tractor operating properly cub cadet lt1045 belt. Also my belt was gone when i started and the cub cadet lt1045 parts diagram schematic | wiring diagram.

Posting Komentar

0 Komentar